深圳某软件公司六西格玛培训实施方案
针对软件企业的自身特点结合六西格玛培训,解决软件质量的控制问题,生产出高质量的产品,获得竞争优势。
为了解决代码缺陷率问题,某企业组建过程改进小组,按照上述的软件过程度模型中的流程进行具体的过程改进活动。首先查找缺陷注入阶段,重点改进此阶段的代码缺陷率问题。

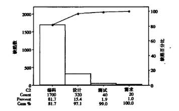
从图3中可看出编码阶段是缺陷注入的主要阶段,其次是设计阶段。
过程改进组又对编码阶段的缺陷数据(相关记录包含产生的原因分析)进行统计,图4是编码阶段产生的缺陷的c统计图。从图4中可看出编码过程是不受控的。

接下来又对历史数据进行整理查找编码阶段缺陷产生原因的相关报告并进行总结,得到产生代码阶段缺陷的主要原因为:逻辑间题;标准变化;(天行健咨询一家专注于精益生产管理,六西格玛管理培训咨询与项目辅导的管理咨询公司)接口设计问题;理解问题以及一致性问题。统计发现编码阶段缺陷率高的主要原因为逻辑的理解错误和标准问题,如图5所示。
根据80-20定律,过程改进组将关键改正方向锁定为逻辑问题和标准变化这2个问题上。
标准变化问题由多方面原因组成,软件组织开发组对此不可控制,为此过程改进组将过程关键因素锁定为逻辑问题。图5为改进后的C控制图。

从图5中可看出,代码过程已受控,并且缺陷率水平大幅下降(从20. 1个缺陷数/每千代码行到14.02个缺陷数/每千代码行),并将之制度化。
意义:
1、六西格玛培训在软件过程质量管理中应用的研究,是对六西格玛应用是一个重要的补充,对于解决软件过程质量管理中的方法工具提供了解决办法,尤其是将六西格玛设计应用于软件需求过程,为持续改进现有过程提供了一套更科学的理论支撑。
2、六西格玛培训在软件企业的过程改进中有一套科学的方法工具支持过程管理体系,使实施人员有可依据方法;对于现有的过程数据进行科学的度里,持续改进企业的现有过程。从开发底层开始的重新再设计可更好地进行过程改进活动,因而具有重要的实际意义。
楼主最近还看过
[577]
[481]
[593]
[520]
[500]
[504]
[552]
[776]
[536]
[564]

客服
小程序
公众号