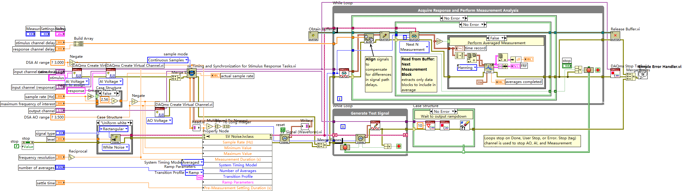
该 LabVIEW VI 通过生成宽带噪声激励信号,同步采集被测件(DUT)的激励与响应信号,经平均处理实现频响测量。支持连续采集,完成指定平均次数后自动停止,可配置 DUT 稳定时间与平均参数,输出时域波形及频域幅相特性,适用于系统频率特性测试。

激励 - 响应测量流程:含 “生成测试信号 + 模拟输出”“采集模拟响应 + 测量分析” 两步;
任务同步:激励(AO)与采集(AI)任务同步,连续 AO 任务禁止再生;
并行执行:LabVIEW 并行性支持激励与采集循环同时运行;
采集终止逻辑:最后一个测量块生成后,采集在最后一个平均块读取后自动停止;
数据过渡:采集自动转换为斜坡下降,避免数据突变。
功能:生成宽带噪声激励,同步采集激励 / 响应信号,完成平均频响分析,输出时域波形与频域幅相特性。
使用场合:需测量电子 / 机电系统频率响应的场景(如滤波器、放大器、传感器的频响测试)。
特点:
支持连续采集 + 自动停止;
可配置稳定时间、平均次数等参数;
内置信号延迟补偿与数据平均功能。
注意事项:
需提前用 “SVL Measure Propagation Delay” 测量 DUT 延迟;
连续 AO 任务需关闭 “再生” 功能;
噪声信号峰值可能超量程,需通过 DSA AO 范围限幅。
类似功能对比:
与 “正弦扫频频响 VI” 相比:本 VI 用宽带噪声,测试速度快但频域分辨率略低;扫频 VI 分辨率高但测试耗时久。
应用案例:
某音频放大器频响测试:将放大器接至 DSA 设备,配置噪声激励带宽 20Hz-20kHz、采样率 51.2kHz、平均次数 16,运行 VI 后得到放大器 20Hz-20kHz 内的幅频 / 相频特性曲线。
信号生成子 VI:
功能:生成指定类型(宽带噪声)的激励信号,支持幅值、带宽配置;
特点:可输出斜坡过渡信号,避免激励突变;
注意:需匹配 DSA AO 通道量程,防止硬件过载。
采集与分析子 VI:
功能:同步采集激励 / 响应信号,提取有效数据块并完成平均、加窗(汉宁窗)与频响计算;
特点:支持信号延迟补偿,保证激励 - 响应的时间对齐;
注意:需确保采集速率与激励速率一致,避免数据失步。
该 VI 基于 LabVIEW+Sound and Vibration Toolkit 开发,依赖 DSA/Daq 设备实现高精度信号生成与采集,是 “动态信号分析” 领域的典型工具,适用于快速验证系统频域特性的工程场景。
楼主最近还看过


客服
小程序
公众号