1 DCS系统定义
DCS是分散控制系统(Distributed Control System)的简称,中文习惯称为集散控制系统。它是一个由过程控制级和过程监控级组成的以通信网络为纽带的多级计算机系统,综合了计算机(Computer)、通讯(Communication)、显示(CRT)和控制(Control)等4C技术,其基本思想是分散控制、集中操作、分级管理、配置灵活、组态方便。
中国的DCS系统相对起步较晚,国内的和利时公司(HOLLYSYS)率先在1993年推出国内第一套DCS系统HS1000,并逐步在工业现场规模应用和推广。
2 DCS系统的主要结构与特点
系统主要有现场控制站(I/O站)、数据通讯系统、人机接口单元(操作员站OPS、工程师站ENS)、机柜、电源等组成。系统具备开放的体系结构,可以提供多层开放数据接口。
硬件系统在恶劣的工业现场具有高度的可靠性、维修方便、工艺先进。底层汉化的软件平台具备强大的处理功能,并提供方便的组态复杂控制系统的能力与用户自主开发专用高级控制算法的支持能力;易于组态,易于使用。支持多种现场总线标准以便适应未来的扩充需要。
系统的设计采用合适的冗余配置和诊断至模件级的自诊断功能,具有高度的可靠性。系统内任何组件发生故障,均不会影响整个系统的工作。
·系统的参数、报警、自诊断及其他管理功能高度集中在CRT上显示和在打印机上打印,控制系统在功能和物理上真正分散, DCS整个系统的可利用率至少为99.9%;系统平均无故障时间为10万小时,实现了核电、火电、热电、石化、化工、冶金、建材诸多领域的完整监控。
“域”的概念。把大型控制系统用高速实时冗余网络分成若干相对独立的分系统,一个分系统构成一个域,各个域共享管理和操作数据,而每个域内又是一个功能完整的DCS系统,以便更好地满足用户的使用。
网络结构可靠性、开放性及先进性。在系统操作层,采用冗余的100Mbps以太网;在控制层,采用冗余的100Mbps工业以太网,保证系统的可靠性;在现场信号处理层,12Mbps的PROFIBUS总线连接中央控制单元和各现场信号处理模块(I/O模块)。
标准的Client/Server结构。有的DCS的操作层采用Client/Server结构。
·开放并且可靠的操作系统。系统的操作层采用WINDOWS NT操作系统;控制站采用成熟的嵌入式实时多任务操作系统QNS以确保控制系统的实时性、安全性和可靠性。
标准的控制组态软件。系统采用IEC61131-3标准的控制组态工具,可以实现任何监测、控制要求。
可扩展性和可裁剪性,保证经济性。
2.1 网络构架
通常DCS系统的网络架构由3部分组成(不计现场仪表层),从上到下依次为管理网(MNET)、系统网(SNET)、控制网(CNET)。其中系统网和控制网都是冗余配置,管理网为可选网络。系统网络架构如图4-1-1所示。
图4-1-1 分散控制系统DCS典型网络构架图
管理网络(MNET)
由100/1000M以太网络构成,用于控制系统服务器与厂级信息管理系统(Real MIS或者ERP)、INTERNET、第三方管理软件等进行通讯,实现数据的高级管理和共享。管理网络层为可选网络层。
系统网络(SNET)
由100/1000M高速冗余工业以太网络构成,用于工程师站、操作站、现场控制站、通信控制站的连接,完成现场控制站的数据下装。可快速构建星型、环型或总线型拓扑结构的高速冗余的安全网络,符合IEEE802.3及IEEE802.3u 标准,基于TCP/IP 通讯协议,通讯速率100/1000Mbps 自适应,传输介质为带有RJ45连接器的5类双绞线。
控制网络(CNET)
采用冗余现场总线与各个I/O 模块及智能设备连接。实时、快速、高效地完成与
现场通讯任务,传输介质为屏蔽双绞线或者光缆。
2.2 系统组成
系统主要由工程师站、操作员站、历史站(选配)、控制站等部件组成;而控制网的网络节点由控制站和I/O模块构成。
工程师站
用于完成系统组态、修改及下装,包括:数据库、图形、控制算法、报表的组态,参数配置,操作员站、现场控制站及过程I/O模块的配置组态,数据下装和增量下装等。
操作员站
用于进行生产现场的监视和管理,包括:系统数据的集中管理和监视,工艺流程图显示,报表打印,控制操作,历史趋势显示,日志、报警记录和管理等。
历史站(选配)
用于完成系统历史数据服务和与工厂管理网络交换信息等。一般在大型系统中需要单独配置,小型系统可以采用操作员站兼顾。
控制站
用于完成现场信号采集、控制和联锁控制算法、控制输出、通过系统网络将数据和诊断结果传送到操作员站等功能。
I/O模块
用于将模拟信号转换为数字信号、工程单位变换,模块和通道故障诊断。通过冗余的多功能总线送给主控制器单元。
3 DCS系统选型的主要注意事项 3.1 系统总体设计选型
目前DCS系统的设计理念为高可靠性、高可用性相结合的设计理念;所有的核
心组件全部支持冗余设计。
总体设计在硬件结构上分为两个流派:集中板卡式和分散模块式。
集中板卡式:机柜先安装机笼,I/O模块以板卡形式插在机笼中。这种安装方式的优先是抗震性能好,电路板上方便布置多器件,因而通道数量较多。缺点是受机笼限制,安装不灵活。因另外需要控制布置接线端子,占用空间大,只能证明布置卡件,反面布置接线端子板,需要采用专门机柜。
分散模块式:机柜无需机笼,I/O模块以独立模块形式安装在机柜中。这个安装方式的优点是灵活方便可以在任意空间安装、占用空间小、散热良好。缺点抗震性能低于板卡式。因模块体积小,通道数量会受限制。
随着电子元器件的发展,小型化、智能化是发展趋势,模块式越来越显示出灵活多变的优势,板卡式初步淘汰。因此YOKOGAWA和Honeywell都完成了由大板卡式向小模块式的转变, ABB全系列。Emerson的DeltaV、Invensys的I/A、Ovation等都采用分散模块结构。国内的和利时的最新K系列和浙江中控的ECS700都采用分散模块式结构。
总体设计在软件结构上分为两个流派:对等网结构(P/P)和客户/服务器C/S结构。
对等网结构(P/P):控制站同操作员站的地位对等,通讯方式点对点。优点是通讯不依赖于通讯节点,危险相对分散。缺点是一个域的系统规模受限制。数据处理量也受限制。难以适合核电等超大规模系统结构。
客户/服务器C/S结构:控制器和操作站的通讯通过服务器节点通讯。优点是利于做大型和超大型系统,缺点是通讯依赖于冗余的服务器节点,对服务器的可靠性要求高。
鉴于对等网结构(P/P)和客户/服务器C/S结构各有优势,最先进的系统是可以混合结构,两种通讯结构都支持,而且可以同时存在于一套系统中。如Honeywell的PKS-C300系列和和利时的MACS-K系列。既可以危险分散又可适应大规模。
3.2 硬件选型
1)控制器
控制器选择的考虑因素主要有响应周期、带模块能力和扩展能力。运算周期决定用于装置需要的反应速度;带模块能力决定了系统规模;扩展能力决定了接第三方仪表的能力。
2)响应周期
控制器的响应周期包括采样周期和运算周期两部分,采样周期取决于I/O模块采样速度和I/O模块总线速度。运算周期取决于CPU运算速度。先进的控制器通常具备可设置不同的运算周期以满足控制的需要。通常为100ms、200ms、500ms、1000ms、2000ms可选,不同的控制对象可以用不同的运算周期,是衡量控制器技术是否先进的重要标志。
选择控制器的运算速度不能只看CPU的主频,因为不同的系统构架,系统运算的效率差别较大。目前主要有基于PowerPC、ARM和X86构架,其中X86构架的CPU虽然主频很高,但运算效率不一定很高,同样构架下采用RISC(Reduced Instruction-Set Computer)指令相比CISC(complex instruction set computer)指令效率更高。
对于常规控制回路要求从IO经过PID运算,至AO输出的累积响应周期最快可达到250ms、500ms和1000ms三档,同时控制器应具备快速控制能力,从IO经过PID运算,至AO输出的累积响应周期最快可达到120ms。
3)带模块能力
带模块能力决定了单控制站系统规模,大多数DCS系统都在60~120个范围,市面上单模块点数在模拟量8/16点,开关量16/32点。单控制站容量在600-1200点左右。带模块能力与控制响应速度是一对矛盾,当响应时间短的控制场合,需要相应减少带模块数量。特别要限制快速控制回路模块数量。一般以控制器负荷不大于50%为最终要求。
4)扩展能力
需要现场总线仪表接入的场合,要求控制器具备第三方总线仪表接入的能力,目前是DP总线、PA总线、Modbus总线和FF总线较为普遍。这就要求控制器具备下挂网关总线模块的能力。
控制器冗余是DCS选型的必须要求,冗余切换的时间一般要求不大于2ms,这对于现代电子技术来说很容易,诊断电路的快速和准确性,决定了切换的时间。但软件的无扰切换直接影响现场设备,因此软件输出数据的无扰切换是才是衡量控制器冗余技术的关键技术。一般要求不大于最小控制周期。因此两个控制器的数据同步技术是保证无扰切换的关键。DCS控制器冗余原理见图4-1-2。
图4-1-2 DCS控制器冗余原理图
5)通讯网络
控制器与人机界面操作站之间的通讯网络一般由以太网构成的冗余网络。通讯速率为100/1000Mbps.控制站与内部I/O模块之间的网络一般有自定义的冗余总线构成,通讯速率为500Kbps到10Mbps不等。控制器与I/O模块的总线分为并行总线和串行总线两种,因串行总线在抗干扰,可扩展性要更好,已经形成发展大趋势。
网络具有物理层和协议层双重隔离,通讯负荷要求不超过40%。
6)电源设计
DCS电源交流为AC220V为主,电源输入稳定度要求不大于10%,频率输入稳定度不大于2%。DC24V电压输出波动不大于5%,DC48V电压输出波动不大于10%。
DCS实际分为模拟部分电源和数字部分电源两大部分供电,要求系统自带电源将模拟部分和数字部分隔离供电。电源也要求冗余供电,且要求只剩单个电源时,负载不超过额定功率的70%。现场仪表设备的供电要求与DCS系统隔离供电。电源要求有自保护功能,局部误接入高压或外部设备短路,不会造成控制站电源系统故障,系统电源模块故障次数不大于2次/年。
7)IO模块选型
IO设计从开始推出时的单点卡,到后期的多点卡,高密度卡;系统的模块采用背板插装方式,到目前逐步采用独立模块设计;系统的整体设计可靠性提升,且最大便利提供用户的易维护性。任意模块故障不影响其他模块,任意通道故障不影响其他通道,系统中I/O模块故障次数不大于4次/年。
模块类型应该满足目前国际上通用的信号采样标准:
AI、AO、DI、DO、PI(脉冲输入)、SOE、
RTD、TC等。
I/O卡配置原则:
控制用AI/AO卡应1:1冗余配置。
联锁用DI/DO卡应1:1冗余配置。
监测用AI/TC/RTD通道数不超过32点。
监测用脉冲通道数不超过16点。
DI点通道数不超过16点,来自电气的DI必须采用继电器隔离。
DO点联锁时卡件通道数不超过16点,必须采用继电器隔离。
危险气体监测卡需要单独设置卡件。
系统一般预留20%的备用卡件,同时预留15%的扩展空间。
全部I/O卡基于恶劣的工业环境设计,符合EMC的设计规范,应带电磁隔离或光电隔离,抗干扰性符合工业环境下的国际标准IEC61000。有防腐需要时系统防腐蚀能力满足ISA S71.04标准G3等级要求。I/O模块需要有断线、短路、超量程、通讯等报警功能。
需要防爆的场合,需要选配安全栅或带本安防爆的卡件。
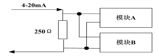
控制I/O模块要求冗余配置,常用的是AI冗余有两种原理,以Honeywell C300硬件为代表采用并联冗余机制,原理是将电流信号通过同一个250欧姆电阻,转换为电压信号,再并联两个测电压模块同时测量,同时送控制器,由控制器挑选品质好的模块运算。并联式冗余示意图如图4-1-3。
图4-1-3 I/O模块并联式冗余示意图
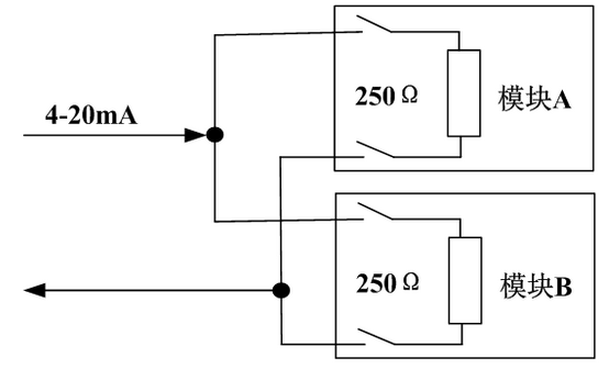
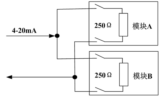
以Yokogawa CS3000、Emerson DeltaV为代表的采用切换式冗余机制,原理是冗余的模块内藏切换开关,只有主模块开关才接通,备用模块开关不接通。切换式冗余示意图如下:
图4-1-4 I/O模块切换式冗余示意图
并联式冗余和切换式冗余各有利弊:并联式冗余优点是不存在切换后重新建立稳态的时间,响应速度快,缺点是共用一个取样电阻,危险集中,一旦该电阻损坏,两个模块都不起作用了。另外取样电阻同模块分离,精度和稳定性控制难度大。切换式冗余优点是危险分散,没有共用器件。取样在模块内部一体化,精度和稳定性高。缺点是切换后需要重新建立稳态工作环境,时间比并联式长。
现场总线通讯模块主要包括:
1)Serial Card串行通讯模块,主要用于Modbus等协议通讯。
2)Foundation FieldBus Card FF总线通讯模块。
3)ProfiBus DP/PA Card ,用于DP/PA总线通讯。
4)Wireless Communication Card,用于无线仪表通讯。
5)DeviceNet和AS-Interface,工厂自动化主流现场总线。
现场总线模块需要同第三方总线设备进行兼容性测试通过后,才能选型具体总线仪表,否则将有通讯不兼容风险。同传统仪表不同,总线仪表在使用过程中,与通讯模块的配合升级将难以避免。因此维护工作需要较高的水平。
3.3 软件选型
1)组态管理软件
组态软件用来配置、部署和管理整个DCS系统,承担组态流程中主要的组态过程。离线组态软件包括工程总控、图形编辑、控制逻辑组态软件、报表组态软件等,以及完成工程的编译、下装、项目管理、工程管理等功能。组态管理软件应该符合IEC61131-3的控制算法编程软件,支持CFC、SFC、LD、ST组态语言,支持用户自定义各类功能块和脚本语言。任何组态修改均可在线完成,包括对控制算法、硬件配置的增加、删除、修改,系统数据库、图形组态、系统配置等各项组态内容,都可以做到现场不停车无扰下装与修改,大大提高系统的可维护性以及可用性。组态软件需关注控制功能的完善程度,如报警诊断、自定义、自整定、优化算法、复杂算法、行业应用包等。
2)在线运行软件
监控系统面向操作者,以模拟流程图、棒状图、数值表、趋势曲线、报表、按钮、对话框等方式为用户提供数据,执行操作指令并发送至现场控制站。监控系统面向操作者,以模拟流程图、棒状图、数值表、趋势曲线、报表、按钮、对话框等方式为用户提供数据,执行操作指令并发送至现场控制站。在线允许软件需关注支持的系统规模、人机界面优化性、报警诊断完善、操作质量下发指令实时性、画面响应时间、历史存储数量和时间等参数。
通过监控系统,操作者和工程师可以完成:监控自动控制过程,实时人工干预,自动打印或者按需求打印工作报表等任何所需资料,还可以通过厂级监控的MIS等网络将画面和数据提供给管理者。可以完成实时数据采集、动态数据显示、过程自动控制、顺序控制、高级控制、报警和日志检测、监视、操作,可以对数据进行记录、统计、显示、打印等处理。
3)控制器软件
用来完成现场信号采集、工程单位变换、控制和联锁控制算法、控制输出、通过系统网络将数据和诊断结果传送到操作员站等功能。
4)辅助软件
用于完成DCS系统的一些辅助组态和系统查询、管理功能,包括:OPC通讯软件、历史离线查询工具、系统升级工具、软件版本管理工具、系统仿真软件、授权管理工具等。
楼主最近还看过
[4603]
[3523]
[2322]
[3745]
[2001]
[2803]
[2565]
[2927]
[7293]
[1820]

客服
小程序
公众号