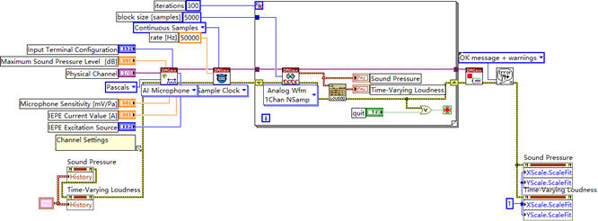
通过麦克风采集声音信号,经处理后实时监测声压(Sound Pressure)和时变响度(Time - Varying Loudness),为声学测量与分析提供数据支持,适用于噪声监测、声学实验等场景。

声压(Sound Pressure):指声波通过介质时,介质质点产生的压力变化量,是描述声音强弱的物理量,单位为帕斯卡(Pa)。
时变响度(Time - Varying Loudness):反映人耳对声音响度随时间变化的主观感受,单位为宋(Sones),它考虑了人耳对不同频率和强度声音的感知特性。
功能:配置麦克风模拟输入通道,采集声音信号。
使用场合:需要从麦克风获取原始声音信号的声学测量场景,如环境噪声采集、设备声学测试等。
特点:可灵活设置物理通道、输入终端配置等参数,适配不同麦克风和采集设备。
使用注意事项:需确保物理通道选择正确,与实际麦克风连接的输入通道一致;根据麦克风类型(如 IEPE 麦克风)正确设置 IEPE 激励源等参数。
类似功能对比:与普通模拟输入 VI 相比,专门针对麦克风采集进行了优化,更贴合声学信号采集的需求,在参数配置(如 IEPE 相关设置)上更具针对性。
功能:读取单通道的多采样模拟波形数据,将采集到的连续声音信号按设定的采样数进行读取和处理。
使用场合:对连续采集的声音信号进行分块读取和分析的场景,如需要对声音信号进行短时分析(短时傅里叶变换等前置处理)。
特点:可设定采样数,实现对连续信号的批量读取,便于后续的信号处理和分析。
使用注意事项:采样数的设置需与采集的速率、时长等匹配,避免数据溢出或不足;确保通道配置与前面的输入通道一致。
类似功能对比:相比单采样模拟输入 VI,能一次性处理更多采样点,提高了对连续信号处理的效率,适合需要对一段连续信号进行整体分析的情况。
功能:将处理后的声压和时变响度数据以波形图形式实时显示。
使用场合:需要实时观察声压和响度变化的场景,如实时噪声监测、声学实验过程监控等。
特点:可自动缩放坐标轴以适配整个数据集,便于清晰观察数据变化趋势,还可清除历史图表,保持显示界面简洁。
使用注意事项:确保数据输入与显示控件的类型匹配(如声压数据为数值型,响度数据也为对应数值型);根据实际需求选择是否清除历史图表,若需要对比历史数据则需谨慎使用清除功能。
类似功能对比:与普通波形显示 VI 相比,针对声压和响度这两个声学特定参数的显示进行了界面和功能优化,更符合声学工程师的使用习惯,在坐标轴标签(如声压单位 Pa、响度单位 Sones)和自动缩放等方面更贴合声学数据展示需求。
在声学工程领域,准确测量声压和评估响度是非常重要的工作。声压是客观的物理量,而响度是主观的心理量,该系统结合了客观测量与主观感知评估,为声学研究、噪声控制、音频工程等领域提供了有效的工具。L
楼主最近还看过


客服
小程序
公众号