GB/T22042服装防静电性能表面电阻率测试仪采用高性能微处理器控制的绝缘电阻测试仪。输出电压1-1000v连续可调,可以测试5*102Ω~1*1016Ω的直显电阻/电阻率(超出显示电流换算可到20次方),显示99999数,测试速度可达5次/秒。仪器拥有专业分选功能,具有10组设置存储数据,多样分选讯响设置,配备Handler接口,应用于自动分选系统完成全自动流水线测试。内置RS232接口及LAN接口,用于远程控制和数据采集与分析。
计算机远程控制指令兼容SCPI(Standard Command for Programmable Instrument仪器标准命令集),高效完成远程控制和数据采集功能,高绝缘电阻测量仪用于测量绝缘材料、电工产品、各种元器件的绝缘电阻;与恒温水浴配套后,还能测量不同温度下的塑料电线电缆(无屏蔽层)的绝缘电阻,GB/T22042服装防静电性能表面电阻率测试仪具有测量精度高、性能稳定、操作简单、输入端高压短路等优点,仪器的量程 16次方超出16次方显示电流通过换算可到20次方电阻值(测试电压为 1-1000V)。 本仪表贯彻 Q/TPGG 7-2008 高绝缘电阻测量仪企业标准。
设备参数:
•显示采用4.3寸高分辨率TFT屏显示,操作简单
• 回读电压精度0.5%±1V
• 绝缘电阻精度 1%快速测试
• 最小测试周期仅需200ms恒压测试
• 采用恒压测试法快速测量绝缘电阻丰富的接口配置
• HANDLER口
• RS-232接口
• 以太网接口
• U盘接口
•可连接上位机软件操作
供电
• 110v~240 V双模式供电
• 电源频率47Hz~63Hz
• 功耗 50W

GB/T 22042-2008服装防静电性能表面电阻率试验方法
1范围
本标准规定了用于能消除静电火花的防静电服装(或手套)材料的试验方法。本标准不适用于抗电源电压服装或手套所采用的材料。
2规范性引用文件
下列文件中的条款通过本标准的引用而成为本标准的条款。凡是注日期的引用文件,其随后所有的修改单(不包括勘误的内容)或修订版均不适用于本标准,然而,鼓励根据本标准达成协议的各方研究是否可使用这些文件的版本。凡是不注日期的引用文件,其版本适用于本标准。
EN 340:2003服装通用要求
3术语和定义
下列术语和定义适用于本标准,
3.1
表面电阻surface resistance
通过将特定电极置于材料表面来测定的电阻,单位为欧姆(Ω)。
3.2
表面电阻率surface resistivity
沿着材料表面的一块方形材料的对边之间的电阻,单位为欧姆(Ω)。
注:表面电阻率与电极大小无关,通过将所测得的表面电阻与一个合适的因子相乘计算得出。
4试验方法
4.1原理
将试样放置于绝缘底盘上,试样上再放置一个电极装置。将电极装置通上直流电,然后测量织物的
电阻。
4.2设备
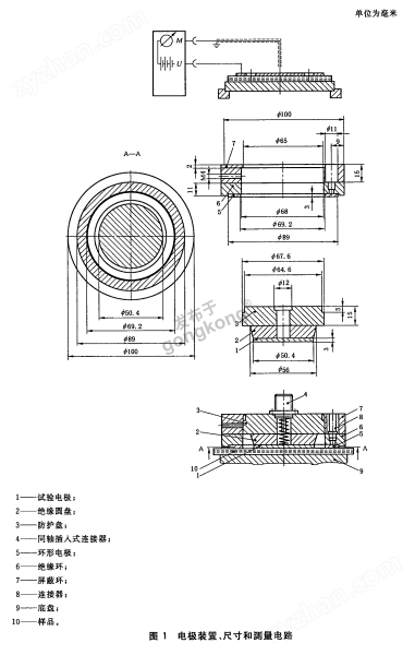
4.2.1电极
电极应由同轴的圆柱形电极和环形电极组成。不锈钢制的电极如图1所示,当按照4.4.2所述的方法进行测定时,内外电极的绝缘电阻应不低于10”Ω.
4.2.2平底盘
平底盘由表面电阻率不低于10”0(见4.4.2),厚度在1mm 到10mm之间的绝缘材料组成,且应大于电极的尺寸。该底盘在测量试样时用于承放试样,按照顺序放置在接地导体表面,如金属盘。4.2.3电阻表
电阻表的测量范围:10'Ω~10"Ω.
允许误差:≤10"Ω时,±5%,
4.2.4清洗剂
使用合适的清洗剂,如丙二醇或乙醇。
警告;丙二醇和乙醇是极易燃物品,并且对人体健康有害。避免服入其蒸气以及与皮肤、眼睛和衣服接触。
4.3试样与调节
4.3.1预处理
试样的预处理,包括洗涤次数等,应按照生产商提供的洗护指标进行,或者按照EN 340:2003第5.4条的要求洗涤5次。
注:对于勿需清洗的服装(如一次性服装),则无须预处理。
4.3.2 试样或服装
应从整卷面料或服装中裁剪出五片试样,每片的尺寸都应大于电极直径面小于底盘的轮廓尺寸。若需测试一件未裁剪的服装,则应对服装的五个不同的合适位置进行测量。试样不能有接缝,接触试样时,只能拿住其边缘部分以免污染,
试样应从与服装交货样品同批生产的材料中取样。
4.3.3 调节和测试的环境条件
试样在试验前应在下述的环境中调节至少24h,并进行试验:
一一环境温度:(23±1)℃;
一相对谨度;(25±5)%。
注:材料表面电租在很大程度上取决于相对温度。相对最度越低。表面电阻越大。
4.4试验步骤
4.4.1清洗
使用沾有一种清洗剂(见4.2.4)的纸巾擦拭,清洗电极的下表面和底盘的上表面。
电极应放置在空气中晾干。
4.4.2平底盘绝缘试验
按照4.4.3所给的步骤,在没有试样的情况下进行空白试验。计算绝缘材料的电阻率,并检查其是否符合4.2.2的要求。
4.4.3测试
将试样放置于表面已预先被测试的底盘上,将电极装置放在试样上。按图1所示将电极连接,
加上(100±5)V的电压(15±1)s后,使用电阻表测定其电阻。如果电阻值低于10Ω,可使用适当低的电压,但应在试验报告中加以说明。
如有必要,低于10°口的电阻可采用测量通过与试样依次相连的电表的电流来测定,并计算出所用电压与电流的比值。
其他四个试样或服装上四个不同的位置,重复此步骤。
4.4.4试验装置
见图1.

4.5 结果的计算与表示
使用以下公式计算五个电阻值中的每一个的表面电阻率p,单位为欧姆(Q):
p=kxR
式中,
P一计算出的表面电阻率,单位为欧姆(Ω);
R--测定的电阻值,单位为欧姆(Ω):
上-电极的几何因子,对于本电极,此因子为19.8。注1:因子用以下公式进行计算,
-2x/1n(n/n)
式中,
n一内电极的半径,单位为毫米(mm);
n一外电极的内半径,单位为毫米(mm)。
计算此五个数值的几何平均值。
注2:此方法显示,不同实验室之间试验结果的相差可达10倍。若图得的表面电厢低于10°口,结果的相差祷会小
一些。
注3。几何平均值为此五个测量值乘积的五次方根。
5
试验报告
试验报告应至少包含以下信息:
a)依据本标准:
b)测试日期:
c)调节和测试的环境条件
d样品和试样的描述及数量
e)每个被测样品的表面电阻值和表面电阻率的单一数据与几何平均值;
日)任何偏高本标准的描述。
楼主最近还看过


客服
小程序
公众号