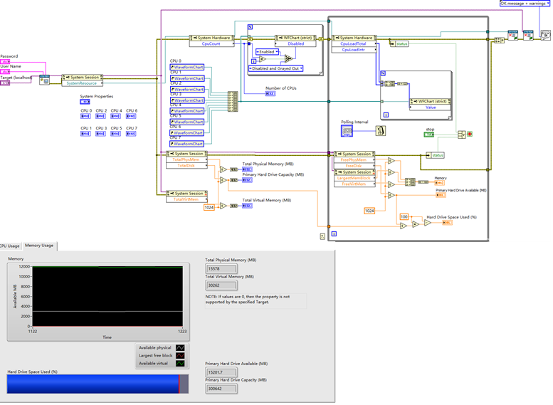
工具利用NI System Configuration,实现对目标设备(如 RT 控制器、本地主机)的 CPU、硬盘、内存资源的总量与可用状态监测,以波形图和数值形式直观呈现,掌握系统资源负载,保障设备稳定运行。
系统资源(CPU、硬盘、内存)是设备运行的核心支撑,其使用状态直接反映设备性能与负载。“资源监控” 是通过底层接口采集资源使用数据,以可视化或数值形式呈现,用于故障排查、性能优化、系统运维等场景,是工程设备管理的关键环节。

功能说明
系统会话与硬件引用
功能:建立与目标设备的系统会话,获取硬件资源(如 CPU 数量、负载)的引用通道。
使用场合:所有系统资源监控场景的起始环节,是资源数据采集的前提。
特点:支持权限验证(用户名、密码),确保资源访问的合法性;可跨设备(本地 / 远程 RT 目标)采集数据。
使用注意事项:需确认目标设备网络可达、权限足够;会话开启后需合理关闭以释放资源。
CPU 资源监控
功能:采集 CPU 核心数量、总负载、中断负载等数据,通过波形图动态展示。
使用场合:需分析 CPU 负载分布(如多核心任务调度、性能瓶颈排查)的场景,如实时测试系统、工业控制设备的运维。
特点:可自动适配 CPU 核心数量(最多显示 8 个核心,超出则灰度隐藏多余图表),数据实时性强。
使用注意事项: polling 间隔需合理设置(避免过短导致资源消耗,过长导致数据滞后);需关注 “中断负载” 以排查硬件中断对 CPU 的影响。
类似功能对比:与 Windows 任务管理器的 CPU 监控相比,它更适配 NI RT 设备,且支持多核心的细分负载展示,满足嵌入式实时系统的监控需求。
内存资源监控
功能:采集物理内存、虚拟内存的总量与可用量,以及最大连续内存块大小。
使用场合:需排查内存泄漏、评估内存容量是否满足任务需求的场景,如大型数据采集、实时仿真系统。
特点:覆盖物理与虚拟内存维度,可反映内存碎片化程度(最大连续块);部分参数(虚拟内存)因系统兼容性可能显示为 0。
使用注意事项:虚拟内存参数需结合目标系统兼容性判断;需关注 “最大连续内存块” 以评估大内存分配任务的可行性。
类似功能对比:与专业内存分析工具(如 Valgrind)相比,它更轻量化,集成于 NI 系统配置生态,适合工程级的快速内存状态评估。
硬盘资源监控
功能:采集硬盘总容量与可用空间,计算硬盘使用率。
使用场合:需监控存储设备负载(如数据记录设备、嵌入式系统存储)的场景,避免因硬盘空间不足导致任务中断。
特点:可直观呈现硬盘使用率,数据更新实时性由 polling 间隔决定。
使用注意事项:需确认目标设备硬盘的挂载状态;硬盘使用率接近 100% 时需及时清理或扩容。
楼主最近还看过


客服
小程序
公众号