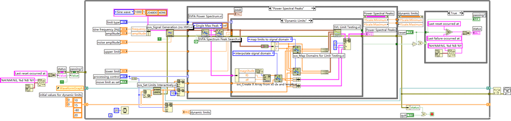
LabVIEW生成正弦信号并添加噪声,经频谱分析(功率谱、功率谱峰值等)后,结合动态限值进行测试,还能记录重置与故障时间,助力工程师开展信号特性分析与合规性检测。
信号频谱分析:将时域信号转换到频域,通过分析各频率分量的幅值、功率等,揭示信号的频率特性,是信号处理、故障诊断等领域的关键手段。
限值测试:设定信号参数(如幅值、功率等)的上下限,判断信号是否在合规范围内,常用于质量检测、设备监控等场景。

vi 说明
“Sine wave”(正弦波生成)
功能:生成指定频率、幅值的正弦波信号。
使用场合:需要标准正弦激励信号的场景,如信号源模拟、系统响应测试。
特点:参数设置灵活,可精准控制频率、幅值等关键指标。
使用注意事项:频率设置需结合后续分析的采样率,避免频谱混叠;幅值要与系统动态范围匹配,防止信号溢出。
类似功能对比:与 “Arbitrary Waveform Generator”(任意波形发生器)相比,“Sine wave” 仅生成正弦波,功能更专一,但 “Arbitrary Waveform Generator” 可生成复杂自定义波形,适用场景更广泛。
“SVFA Power Spectrum.vi”(功率谱分析)
功能:对输入信号进行功率谱计算,得到各频率分量的功率分布。
使用场合:分析信号的频率能量分布,如噪声特性分析、振动信号频谱分析。
特点:算法高效,能快速得到准确的功率谱结果。
使用注意事项:需确保输入信号采样率足够,且预处理(如加窗)设置合理,以减少频谱泄漏;不同加窗函数对结果平滑度和分辨率影响不同,需根据需求选择。
类似功能对比:和 “FFT.vi”(快速傅里叶变换)相比,“FFT.vi” 得到的是复数形式的频谱,需进一步计算功率,而 “SVFA Power Spectrum.vi” 直接输出功率谱,更便捷,但 “FFT.vi” 能提供更基础的频域信息,便于深入自定义分析。
“SVFA Spectrum Peak Search.vi”(频谱峰值搜索)
功能:在频谱(如功率谱)中搜索峰值及其对应频率、幅值等信息。
使用场合:寻找信号中的主要频率成分,如谐波分析、故障特征频率提取。
特点:可精准定位峰值,支持多峰值搜索,满足复杂信号分析需求。
使用注意事项:需合理设置峰值检测的阈值和邻域范围,避免将噪声误判为峰值,或遗漏真实小峰值;对多峰值密集的信号,参数调整需更细致。
类似功能对比:与手动遍历频谱数据找峰值相比,该 vi 自动化程度高、效率快,且能避免人为误差;和一些通用的 “Peak Detection”(峰值检测)vi 相比,它专为频谱数据优化,在频谱峰值识别的准确性和针对性上更优。
“SVL Limit Testing.vi”(限值测试)
功能:将信号参数(如功率谱幅值、峰值等)与设定的上下限比较,判断是否合规。
使用场合:产品质量检测(如信号指标是否达标)、设备状态监控(如振动幅值是否超限)。
特点:支持动态限值设置,能适应不同测试场景的阈值要求,且可输出清晰的合规 / 故障状态。
使用注意事项:限值设置需基于实际需求和系统性能指标,过高易漏检故障,过低易误判;要确保输入的信号参数与限值的量纲、单位一致。
类似功能对比:和简单的 “Compare”(比较)函数相比,该 vi 专为信号限值测试设计,集成了状态输出、故障记录等功能,更贴合工程检测流程;与一些专用的 “Alarm”(报警)模块相比,它聚焦于信号参数的限值判断,而非广义的报警触发,应用更精准。
“svx_Set Limits Interactively.vi”(交互式限值设置)
功能:支持用户在界面上交互式地设置信号限值,提升操作便捷性。
使用场合:需要频繁调整限值、进行多组测试的场景,如实验室研发阶段的参数调试。
特点:可视化操作,无需修改代码即可调整限值,灵活高效。
使用注意事项:交互操作时需注意界面响应,避免误操作;调整后的限值需及时保存或确认,防止测试过程中意外丢失设置。
类似功能对比:与通过代码常量设置限值相比,交互式设置更灵活,适合快速迭代测试;和一些配置文件驱动的限值设置方式相比,它实时性更强,能立即看到设置效果,但配置文件方式更便于批量部署和长期保存固定配置。
楼主最近还看过