项目概述
某汽车配件厂家生产车间有10KV/0.4KV,800KVA变压器1台。车间负荷主要以点焊机和普通电机为主,点焊机工作时最大的一个特点就是周期较短,速度快,属于冲击性非线性负荷,无功波动大。由于点焊机本身特性,会产生3次,5次,7次,11次谐波电流,且运行时功率因数比较低,为了避免无功罚款,故装设TSC动态无功补偿装置。
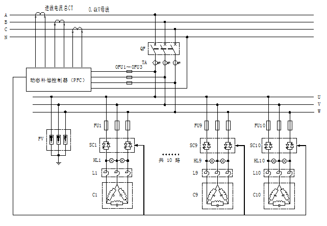
无功补偿装置其安装容量为400kvar,采用三相干式铁芯电抗器,额定电抗率为14%;采用快速可控硅开关进行投切,重复投切时间间隔20ms,电容器无需放电,实时跟踪负荷的快速变化。共分10路,每路40kvar,选用0.525kV,50Hz,40kvar三相并联电容器,编码投切方式,控制器相应时间20ms。无功补偿一次原理图见图1。
无功补偿装置运行一个月后,部分电容器出现鼓肚现象,电容器出厂严格的做了出厂试验,且电容器厂家通过3C认证。鼓肚电容器更换为国内某知名品牌电容器运行一段时间后也出现鼓肚现象。
图1
2事故分析
电容器选型问题,考虑到点焊机产生3次及以上谐波电流因数,串联14%电抗器,可以防止电容器将谐波电流放大。系统电压在400V时,电容器两端的实际基波运行电压为465V,加上少量的谐波电压,电容器额定电压选择525V完全满足运行要求。
快速熔断器选型是根据电容器额定电流的1.5倍选择,未发现有熔丝烧坏的现象。
通过示波器检测可控硅开关投切涌流小于2倍,满足国家投切涌流小于5倍的标准,排除投切过电压导致电容器损坏。
导致其鼓肚原因可能是电容器本身质量问题,长期过电压运行,运行温度过高。由于电容器已用两家知名品牌电容器,都出现问题,可以排除并非电容器质量问题。将鼓肚的电容器退回厂家分析是由于内部元件击穿产生的电弧使油分解而产生气体,其体积膨胀造成的。对未鼓肚的电容器支路进行电流和电压检测,检测仪器为FLUCK三相谐波测量仪。未发现电容器有谐波电流放大和电容器过电压运行的现象。现场发现电容柜内温度很高,由于电容柜内有电抗器和可控硅开关,在运行的时候发热很严重。夏天配电室温度比较高,用红外线测温仪检测电容器表明温度70℃。电容器允许在室温40℃温度以下运行,外壳温度不超过60℃,电容器温度升高将影响电容器的寿命并导致电容器绝缘击穿而损坏。在此可基本确定为环境温度过高导致电容器鼓肚。
3处理结果
由于温度过高导致补偿装置出现电容器损坏,要求用户改善配电室运行环境,应采取必要的通风、降温措施,如果采取措施后仍然不能满足室温控制在40℃以下的要求时,应立即停止运行。用户在配电室装设空调后,电容柜内温度降下来了,电容器运行一切正常。
防护措施
配电室内应做好补偿设备运行情况记录,有值班人员;
每天都要对运行的电容器组的外观巡视检查,如发现箱壳膨胀应立即停止使用,以免发生故障;
定期检测电容器组各相电流是否正常(用钳形表可测);
电容器外壳上最高温度的检查(可用红外线测温仪测量),并且做好温度记录(特别是夏季);
防止补偿设备有小动物爬入,电抗器运行中震动比较大,定期紧固电抗器进出线连接的螺丝。
4结束语
通过以上分析和预防处理,可以及时了解和掌握电容柜的运行情况,及时发现电容柜缺陷并采取有效措施,避免电容柜故障的进一步扩大,保障电容柜安全运行。
楼主最近还看过
[33488]
[11818]
[77519]
[15039]
[11283]
[21987]
[93980]
[30314]
[15170]
[18109]

客服
小程序
公众号