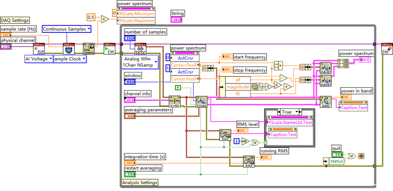
通过 DAQ 硬件采集振动传感器信号,实现时域 - 频域转换、功率谱分析、RMS 电平及运行 RMS 计算,支持游标选频带测带内功率,是工业振动监测、设备健康诊断的核心工具,需匹配加速度计等传感器与 DAQmx 兼容硬件,适用于连续振动数据的实时分析场景。

功率谱(Power Spectrum):时域振动信号经 FFT 变换后的频域表示,量化不同频率的能量占比,是定位 “异常振动频率源” 的关键手段;
RMS 电平(Root Mean Square):振动信号的有效值,反映振动的平均能量强度,是振动烈度评估的标准指标;
运行 RMS(Running RMS):按滑动窗口实时更新的有效值,体现振动的动态变化趋势,用于捕捉瞬时异常;
窗函数(如 Hanning):FFT 前对时域信号加窗,减少 “频谱泄漏”(信号非整周期截断导致的频率混叠),提升频域分析精度。
工业场景中,振动是设备故障的核心特征(如轴承磨损对应特定频率的振动放大),但通用信号处理工具缺乏 “振动工程单位转换、振动级加权” 等行业适配功能,工具包通过预制算法降低了振动测试的开发门槛,同时兼容 NI DAQ 硬件的高速采集能力,是制造业设备健康管理(PHM)领域的常用工具链之一。
模块 | 功能 | 使用场合 | 特点 | 注意事项 | 同类功能对比 | 应用案例 |
数据采集模块 | 持续采集 DAQ 通道的振动电压信号 | 加速度计、速度传感器等振动数据采集 | 支持 DAQmx 硬件,自动校准采样率 | 1. 需确认 DAQ 通道与传感器的接线(如差分 / 单端);2. 采样率需≥振动信号最高频率的 2 倍(奈奎斯特准则) | 对比 “LabVIEW 基础采集 VI”:集成 DAQmx 配置界面,无需手动调用硬件驱动 | 压缩机运行过程中振动的 24 小时连续采集 |
信号缩放模块 | 将电压转换为振动工程单位(如 g、mm/s) | 传感器信号的工程化校准 | 关联 “传感器灵敏度” 参数,一键完成单位转换 | 1. 需准确填写传感器灵敏度(如加速度计 10mV/g);2. 工程单位需与传感器类型匹配(如加速度用 g,速度用 mm/s) | 对比 “手动公式缩放”:避免计算错误,支持实时参数修改 | 振动台校准中,将电压信号转换为标准加速度单位 |
功率谱分析模块 | 生成频域功率谱 + 游标选带内功率 | 振动频率成分定位、故障诊断 | 1. 支持窗函数选择;2. 游标拖拽即可限定分析频带 | 1. 窗函数需匹配信号特征(如 Hanning 适合稳态信号,矩形窗适合瞬态信号);2. 采样点数需为 2 的幂次(如 2048)以提升 FFT 效率 | 对比 “通用 FFT VI”:直接输出 “功率”(而非幅度),符合振动行业标准 | 风机振动中,通过 25Hz 频带的功率放大定位叶片不平衡故障 |
RMS 电平模块 | 计算信号静态有效值 | 设备稳态振动的烈度评估 | 结果稳定,反映整段信号的平均能量 | 仅适用于 “信号稳定的工况”(如设备空载运行),无法捕捉瞬时振动突变 | 对比 “运行 RMS”:精度更高,但无实时性 | 泵类设备出厂前的振动烈度合规性检测 |
运行 RMS 模块 | 实时滑动窗口更新有效值 | 生产过程中振动的动态监测 | 数据毫秒级刷新,可捕捉瞬时异常 | 1. 窗口长度需平衡 “响应速度” 与 “数据稳定性”(窗口太短易受噪声干扰);2. 需设置超限阈值避免误报警 | 对比 “静态 RMS”:适合动态过程,但精度略低 | 机床切削时,实时监测振动 RMS 超限(如刀具崩刃导致的突变) |
轨道交通:采集列车转向架的振动信号,通过功率谱定位轮对磨损对应的特征频率;
航空航天:地面测试中,用运行 RMS 监测发动机启动过程的振动动态变化,判断启动是否平稳;
建筑结构:地震模拟试验中,通过功率谱分析结构的共振频率,优化抗震设计。
硬件匹配:DAQ 设备需支持 “连续采样” 模式,且采样率需覆盖振动信号的最高频率(如监测轴承故障需≥20kHz);
传感器校准:传感器灵敏度需定期校准,否则会导致工程单位转换误差(如灵敏度漂移 10% 会直接影响振动强度评估);
环境干扰:采集时需远离电磁干扰源(如变频器),避免电压噪声混入振动信号;


客服
小程序
公众号