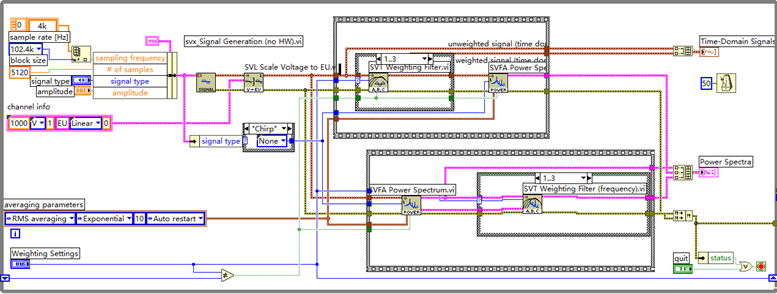
实现模拟动态信号的时域、频域加权处理,支持多类加权滤波器(如 A/C/ITU-R 468-4),可对比原始信号与加权信号的时域波形、功率谱,直观展示加权对信号的影响,适用于声学、振动信号的加权分析场景。

说明
时频加权:针对信号的频率特性,在时域(通过滤波)或频域(通过频谱修正)施加权重,模拟人耳 / 设备的频率响应(如 A 计权匹配人耳对中高频敏感特性),是声学、振动测量中标准化信号处理的核心手段。
VI功能
信号模拟模块
功能:生成指定类型(如 PRN、Chirp)、幅值、采样率的模拟信号。
使用场合:无实际信号输入时,快速构建测试信号。
特点:支持自定义采样率、块大小,适配不同分析带宽需求。
注意事项:Chirp 信号需禁用窗函数,避免低频成分失真。
对比:类似功能(如 LabVIEW “信号生成器” VI)仅支持基础波形,本模块适配振动工具包的加权流程,集成度更高。
案例:声学测试中生成 Chirp 信号,模拟扫频噪声源。
时域加权模块
功能:通过固定速率加权 VI 对时域信号滤波,输出加权信号。
使用场合:需实时获取加权后时域波形的场景(如振动传感器信号的实时 A 计权)。
特点:支持多类加权滤波器,可直接对比原始 / 加权信号时域特性。
注意事项:滤波存在暂态响应,需重置线性平均以保证精度。
对比:与 “频域加权” 相比,时域加权保留信号时序信息,但实时性依赖硬件采样率。
案例:汽车噪声测试中,实时对麦克风信号做 A 计权,监测驾驶舱时域噪声变化。
频域加权与功率谱模块
功能:对信号频谱施加权重,计算并对比原始 / 加权信号的功率谱。
使用场合:仅需分析频谱特性、无需时域信号的场景(如环境噪声的频谱计权)。
特点:频谱修正效率高,支持多加权方式并行对比。
注意事项:频域加权后无法还原时域信号。
对比:与时域加权相比,频域加权计算更快,但丢失时序信息。
案例:工业厂房噪声评估中,对测量频谱做 ITU-R 468-4 加权,合规性检测。
时频加权是声学、振动领域的标准处理手段,如 A 计权被 ISO 1683 标准指定为环境噪声评估的默认方式,本 VI 通过 LabVIEW 工具包的集成化设计,降低了工程师实现标准化加权分析的门槛。


客服
小程序
公众号