220V市电给单片机供电方案有哪些?
前言
单片机作为核心控制芯片,广泛应用于家电,照明,工控,物联网,医疗电子,安防等领域。按照其供电方式主要有从电池取电和从220V交流取电两种方式。电池取电直接采用DCDC/LDO方式即可。220V交流取电给单片机供电的方案较多,需根据实际应用需求选择合适方案。下面我们列举常用的交流供电方案,并加以说明分析,供大家讨论交流。
1. 阻容降压
阻容降压是一种利用电容的“容抗”来限制交流电流的简易电源电路。它因其结构简单、成本低而长久的广泛应用于低成本的小家电产品上。
原理:

如上图所示为最简阻容降压电路,
电容C的容抗对输入的交流电限流后由ZD1稳压。D1实现单向整流后经电容C1滤波后给负载供电。
注意点:
因为交流电直接作用于电容,因此要求C为无极性电容,一般选用体积较大的插件CBB电容,并同时搭配其泄放电阻R1。
因为整个电路无主动调控功能,输出电压存在较大的工频纹波,须较大的C1电容才能实现相对恒定的输出。
因为整个通路依靠电容C限流,当输入有高频跳变,如插拔或浪涌时,C的限流会有较大的突变。可靠起见,最好在输入额外增加热敏PTC+压敏电阻VDR进行限流限压保护。
特点:
阻容降压电路器件多为插件,一般采用单面板人工插件生产,其综合成本并非最优。
CBB电容是关键器件,可靠性较差。更大的电流能力,需要更大体积的CBB电容。
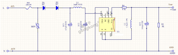
2. 常规AC/DC芯片
AC/DC开关电源方案是目前主流的供电选择。除非特殊要求,一般选择非隔离的AC/DC开关电源方案。根据带载能力和输出电压有不同的规格可选。因其结构成熟,产品选择性多,兼容性好,是目前应用最多的供电方案。
原理:

如上图所示为典型的非隔离降压型电路。
控制芯片U1检测输出电压逐周期调整开关时序以应对输入和输出的变化。
注意点:
开关电源的调试需要一定设计经验对器件参数进行优化。
控制芯片的开关频率一般设计在40K左右,当输出负载突变时,受限于开关频率调整的响应速度,会存在一定的波动,此时需要较大的输出电容来实现输出瞬态稳定。
控制芯片存在最低输入电压要求,需要高压电容滤波后给芯片供电。
因为开关频率的影响,会存在EMI的问题,需要额外的电容+电感+电容组成的Π型滤波器。并且电路走线影响较敏感,需具备足够经验进行试验优化。
特点:
效率高,输出电流能力较强。
3. 线性稳压芯片直接供电
近年出现并广泛应用的线性稳压芯片是一种新的供电方案。因其结构简单,成本极低,优异的性能和可靠性开始逐渐替代阻容降压和开关电源的小电流输出应用。越来越多的被应用到类似直发器,电风扇,电热毯这样的小功率家电产品中。
原理:

如上图所示为采用慧创芯耀的SI1211芯片的高压线性稳压方案。
芯片直接从整流二极管后取电,无需滤波电容。
芯片在交流输入谷底附近取电存储在VDD管脚的大电容上。然后经内部LDO从VDD电容上取电输出极稳定的5V,几乎无纹波。
注意点:
因为是纯线性方案,受限于散热,其带载能力一般限制在30mA以内。
特点:
SI1211纯线性方案在输出5V/30mA以内的应用上,达到极致性价比和最小尺寸。
4. 半线性稳压芯片供电
半线性稳压芯片是最新出现的一类供电方案,其结合了开关电源和线性稳压芯片各自的优点。
使得其输出最大能达到120mA,无需滤波电路即可过EMI。其输出精度和稳定性远超开关电源。
原理:

如上图所示为市场上最新的,慧创芯耀的半线性稳压芯片输出5V/120mA的SI13305方案。
从结构上能明显看到其在纯线性SI1211方案上增加了一个小尺寸的储能电感,从而将纯线性方案和开关电源方案的各自优势结合到一起。
特点:
芯片的输入端依然直接从整流二极管后线性取电,无高频开关动作避免了EMI问题。因此无需任何输入滤波电路。
输出端依然只需要两个电容,且容值最低可到10uF,可全陶瓷贴片。加上小尺寸的贴片电感,可以做到比纯线性方案还小的体积。
通过外围电路的调整可方便实现双电压输出,例如同时输出5V和12V,用于给MCU和继电器等供电。
总结
以上列举的四种220V市电转5V的方案其实体现了技术在细分市场下的进步。
早期分立器件的阻容降压电路是低成本的选择,开关电源的兴起解决了绝大多数的供电场景。但对于5V/200mA以内的输出应用,开关电源就没有性价比优势。
要么采用性能可靠性较差,但偏移的阻容降压,要么增加成本采用开关电源方案。
慧创芯耀的系列产品从纯线性5V/30mA的SI1211到半线性的SI13215L(5V/30mA),SI13215H(5V/50mA),SI13305(5V/120mA)。实现了对细分市场不同驱动能力需求的产品精确定位。欢迎技术交流,186_1681_2943(w_x同号)
楼主最近还看过


客服
小程序
公众号