1、浪涌产生的原因
浪涌也叫突波,就是超出正常电压的瞬间过电压。从本质上讲,浪涌就是发生在仅仅百万上之一秒内的一种剧烈脉冲。供电系统的浪涌来源分为外部(雷电原因)和内部(电器操作过电压)。
雷电引起的浪涌云层与大地之间的雷击放电,由一次或若干次单独的闪电组成,每次闪电都携带干幅值很高、持续时间很短的电流,一个型的雷电放电将包括二次或三次的闪,每次闪电之间大约相隔二十分之一秒时间,大多数闪电电流高达数十、甚至数千安的电流,从而会引起巨大的电磁效应,机械效应的热效应。
2、雷电及浪涌的危害
雷电以及浪涌的危害形式有:(1)直击雷;(2)静电感应;(3)电磁感应;(4)雷电侵入波;(5)地电位反击;(6)电磁脉冲辐射;(7)操作过电压;(8)静电放电。
二、雷电及浪涌防护的方法
根据IEC组织提出的DBSG的基本方法,电子信息系统雷电及浪涌的防护应当采取以下六大技术措施:(1)直击雷防护、(2)屏蔽和隔离、(3)合理布线、(4)等电位连接、(5)共用接地、(6)安装使用浪涌保护器。
在一个完善的电子信息系统防雷工程中,这六个防护措施都应当考虑。但是目前最薄弱的就是安装使用浪涌保护器(SPD)。
三、浪涌保护器的概念及分类
浪涌保护器(SPD)是用来限制瞬态过电压及泄放相应瞬态过电流,保护电子电气设备安全的装置,又可称为电涌保护器(或防雷器、防雷保安器、避雷器等)。它至少应含有一个非线性元件。
浪涌保护器实际上也是一种等电位连接器。通过对一个被保护系统科学合理地使用浪涌保护器,可以使系统内所有安装浪涌保护器的各设备端口,在雷电和浪涌冲击的瞬间实现均压或者相互等电位,从而避免系统内有害的瞬时电位差,保证整个系统的运行安全。
目前的浪涌保护器主要由气体放电管、固体放电管、放电间隙、压敏电阻、快恢复二极管、瞬态抑制二极管、晶闸管、温度保险丝、快速熔丝、高低通滤波器等器件,根据不同电压、电流、功率、频率、传输速率、驻波系数、插损、带宽、阻抗等要求,采用不同形式的电路而制成。
浪涌保护器一般分为两大类:(1)电源浪涌保护器(又可分为交流和直流浪涌保护器)(2)信号浪涌保护器(又可分为过程控制、通用信号以及天馈线路浪涌保护器)
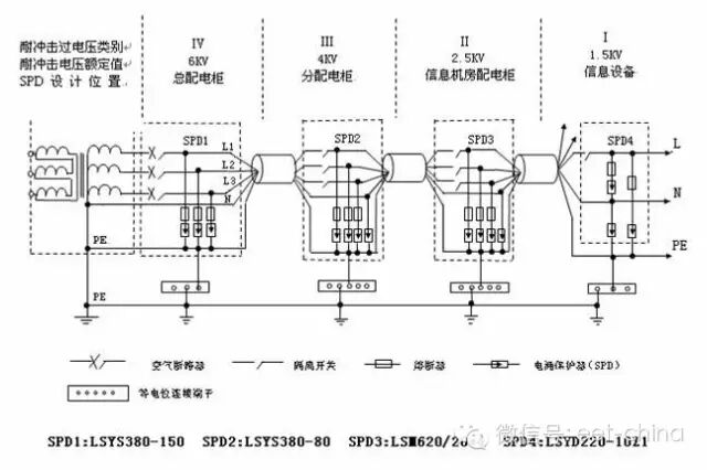
四、浪涌保护器的使用示意图
1、交流配电系统耐冲击电压类别以及用浪涌保护器分级保护示意图
由于雷击的能量是非常巨大的,需要通过分级泄放的方法,将雷击能量逐步泄放到大地。第一级防雷器可以对于直接雷击电流进行泄放,或者当电源传输线路遭受直接雷击时传导的巨大能量进行泄放,对于有可能发生直接雷击的地方,必须进行CLASS—I的防雷。第二级防雷器是针对前级防雷器的残余电压以及区内感应雷击的防护设备,对于前级发生较大雷击能量吸收时,仍有一部分对设备或第三级防雷器而言是相当巨大的能量会传导过来,需要第二级防雷器进一步吸收。同时,经过第一级防雷器的传输线路也会感应雷击电磁脉冲辐射LEMP,当线路足够长感应雷的能量就变得足够大,需要第二级防雷器进一步对雷击能量实施泄放。第三级防雷器是对LEMP和通过第二级防雷器的残余雷击能量进行保护。
1、第一级保护
目的是防止浪涌电压直接从LPZ0区传导进入LPZ1区,将数万至数十万伏的浪涌电压限制到2500—3000V。
入户电力变压器低压侧安装的电源防雷器作为第一级保护时应为三相电压开关型电源防雷器,其雷电通流量不应低于60KA。该级电源防雷器应是连接在用户供电系统入口进线各相和大地之间的大容量电源防雷器。一般要求该级电源防雷器具备每相100KA以上的最大冲击容量,要求的限制电压小于1500V,称之为CLASSI级电源防雷器。这些电磁防雷器是专为承受雷电和感应雷击的大电流以及吸引高能量浪涌而设计的,可将大量的浪涌电流分流到大地。它们仅提供限制电压(冲击电流流过电源防雷器时,线路上出现的最大电压称为限制电压)为中等级别的保护,因为CLASSI级保护器主要是对大浪涌电流进行吸收,仅靠它们是不能完全保护供电系统内部的敏感用电设备的。
第一级电源防雷器可防范10/350μs、100KA的雷电波,达到IEC规定的最高防护标准。其技术参考为:雷电通流量大于或等于100KA(10/350μs);残压值不大于2、5KV;响应时间小于或等于100ns。
2、第二级防护
目的是进一步将通过第一级防雷器的残余浪涌电压的值限制到1500—2000V,对LPZ1—LPZ2实施等电位连接。
分配电柜线路输出的电源防雷器作为第二级保护时应为限压型电源防雷器,其雷电流容量不应低于20KA,应安装在向重要或敏感用电设备供电的分路配电处。这些电源防雷器对于通过了用户供电入口处浪涌放电器的剩余浪涌能量进行更完善的吸收,对于瞬态过电压具有极好的抑制作用。该处使用的电源防雷器要求的最大冲击容量为每相45kA以上,要求的限制电压应小于1200V,称之为CLASSII级电源防雷器。一般用户供电系统做到第二级保护就可以达到用电设备运行的要求了。
第二级电源防雷器采用C类保护器进行相—中、相—地以及中—地的全模式保护,主要技术参数为:雷电通流容量大于或等于40KA(8/20μs);残压峰值不大于1000V;响应时间不大于25ns。
3、第三级保护
目的是最终保护设备的手段,将残余浪涌电压的值降低到1000V以内,使浪涌的能量有致损坏设备。
在电子信息设备交流电源进线端安装的电源防雷器作为第三级保护时应为串联式限压型电源防雷器,其雷电通流容量不应低于10KA。
最后的防线可在用电设备内部电源部分采用一个内置式的电源防雷器,以达到完全消除微小的瞬态过电压的目的。该处使用的电源防雷器要求的最大冲击容量为每相20KA或更低一些,要求的限制电压应小于1000V。对于一些特别重要或特别敏感的电子设备具备第三级保护是必要的,同时也可以保护用电设备免受系统内部产生的瞬态过电压影响。
对于微波通信设备、移动机站通信设备及雷达设备等使用的整流电源,宜视其工作电压的保护需要分别选用工作电压适配的直流电源防雷器作为末级保护。
4、第四级及四级以上保护
根据被保护设备的耐压等级,假如两级防雷就可以做到限制电压低于设备的耐压水平,就只需要做两级保护,假如设备的耐压水平较低,可能需要四级甚至更多级的保护。第四级保护其雷电通流容量不应低于5KA。
楼主最近还看过
[10783]
[10599]
[21816]
[11930]
[20478]
[11193]
[13144]
[22988]
[23951]
[12804]

客服
小程序
公众号